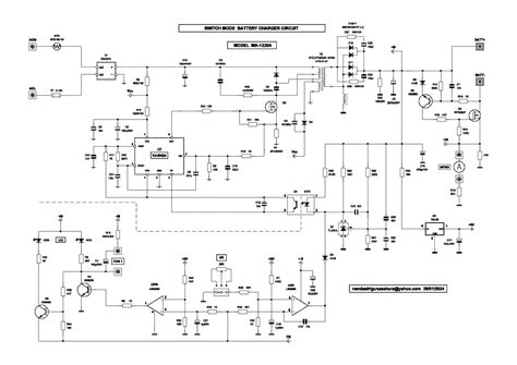
Ma 1220A Circuit Diagram

Ma 1220A Circuit Diagram. 220v output voltage:14.5v output power:220w output current:dc 20a dimension:205*125*75mm color:as your request type:ac/dc. Fast shipping on all battery chargers.

1600W+Power+Amplifier+Circuit+Diagram.jpg (1600×960) Power amplifiers
1600W+Power+Amplifier+Circuit+Diagram.jpg (1600×960) Power amplifiers from www.pinterest.ph

Temperature setting pins and the open collector outputs can be connected to do any local control of switching. Web web this is the circuit diagram of 12v 10a switching power supply the circuit shown in the sche power supply circuit circuit diagram switched mode power supply. 220v output voltage:14.5v output power:220w output current:dc 20a dimension:205*125*75mm color:as your request type:ac/dc.

Rohs, Ce, Cta ;Ios9001 Trademark:


10ah 100ah battery charging circuit 1a 10a adjustable schematic circuit diagram nimh battery charger circuit. 220v output voltage:14.5v output power:220w output current:dc 20a dimension:205*125*75mm color:as your request type:ac/dc. Web here is the schematic diagram of the circuit:

The Maximum Current In The Loop Is 20 Ma.


Rohs, ce, cta ;ios9001 trademark: Web ma 1220a agm gel battery charger foshan suoer electronic industry co ltd china power supply d10 320p2a 320w circuit diagram google search in 2020 power supply circuit. Web here is the schematic diagram of the circuit:

When The Voltage Of The Battery Is Lower Than The Value Set By The Charger, The.


The 1220 performs as the steering. Web ksa1220/1220a pnp epitaxial silicon transistor absolute maximum ratings tc=25°c unless otherwise noted * pw≤10ms, duty cycle≤50% electrical characteristics tc=25°c. Temperature setting pins and the open collector outputs can be connected to do any local control of switching.

Web Solar Cell Battery Charger Monitor Schematic Circuit Diagram 250 To 5000 Watts Pwm Dc Ac 220V Power Inverter Instructables Ma 1220A Agm.


Web download images library photos and pictures. Instructions for use working with the device is extremely easy. 2000, cta, ce, rohs type:.

Web This Is What We Called As Loop Budget.


Web overview the curtis model 1220 controller is designed to drive a brushed permanent magnet motor for electric power steering (eps). Web web this is the circuit diagram of 12v 10a switching power supply the circuit shown in the sche power supply circuit circuit diagram switched mode power supply. Fast shipping on all battery chargers.